Capacidad de conmutación de contacto de 30 A. Los imanes permanentes generan un campo magnético transversal para lograr la desconexión de CC de alto voltaje.
InquiryCaracterísticas
• Estructura totalmente sellada, con un nivel de protección IP67.
• De tamaño pequeño y ligero.
• Cumple totalmente con los requisitos ROHS.
• Aplicable a sistemas de precarga de vehículos eléctricos, interruptores de batería y fuentes de alimentación de respaldo, control de energía de CC, protección de seguridad de circuitos, etc.
Parámetros de rendimiento
|
Parámetro |
Unidad |
Valor |
|
|
Formulario de contacto principal |
/ |
uno normal abierto |
|
|
Tensión de funcionamiento del contacto |
V (CC) |
12~1000 |
|
|
Capacidad de control nominal |
/ |
30 A 450 V (CC-1) |
|
|
Corriente de resistencia nominal de corta duración y duración |
/ |
50A 300s |
|
|
100 A 30 s |
|||
|
Caída de tensión de contacto |
mV |
≤80 |
|
|
Tiempo de acción (incluido el rebote del contacto) |
EM |
≤15 |
|
|
tiempo de liberación |
EM |
≤6 |
|
|
Tiempo de rebote del contacto |
EM |
≤6 |
|
|
Corriente máxima de ruptura (solo se permite romper una vez) |
/ |
210 A, 80 V |
|
|
Vida útil de la carga (carga puramente resistiva, no polarizada) |
tiempo |
50 A, 450 V |
10000 |
|
30 A, 750 V |
6000 |
||
|
20 A, 1000 V |
6000 |
||
|
vida mecánica |
tiempo |
1.000.00 |
|
|
resistencia de aislamiento |
MΩ |
100 (bajo la condición de 500 V (CC)) |
|
|
Tensión soportada |
V (CA) |
2200 V (CA) 50 Hz/60 Hz (corriente de fuga ≤1 mA) |
|
|
Temperatura de funcionamiento |
°C |
-40~+85 |
|
|
Humedad de funcionamiento |
/ |
5%~90% |
|
|
Impacto, 11 ms, 1/2 onda sinusoidal, valor pico |
GRAMO |
20 |
|
|
Vibración, onda sinusoidal, 80~2000 Hz, valor pico |
GRAMO |
20 |
|
|
Ciclo de trabajo nominal |
/ |
Deber de trabajo continuo |
|
|
Peso (aproximado) |
gramo |
125 |
|
|
Método de instalación |
/ |
arbitrario |
|
Parámetros de la bobina
|
Tipo de bobina |
Tipo sin ahorro de energía |
||
|
Tensión nominal de la bobina (Us) |
12 V (CC) |
24 V (CC) |
48 V (CC) |
|
Rango de voltaje de funcionamiento (@20℃) |
85% Nosotros ~ 110% Nosotros |
||
|
Voltaje de captación (V (CC)) a 20 ℃ |
≤9 |
≤18 |
≤36 |
|
Voltaje de liberación (V (CC)) a 20 ℃ |
≥1 |
≥2 |
≥4 |
|
Corriente máxima de sobretensión de la bobina (A) |
/ |
/ |
/ |
|
Tiempo máximo de sobretensión (ms) |
/ |
/ |
/ |
|
Corriente de mantenimiento de la bobina (A) a 20 ℃ |
≤0,4 |
≤0,2 |
≤0,1 |
|
Potencia de retención de la bobina (W) a 20 ℃ |
≤5 |
≤5 |
≤5 |
Nota:
1. La resistencia eléctrica nominal del producto se basa en pruebas de carga resistiva, con una inductancia máxima de la carga que no excede los 27 μH; para cargas inductivas, consulte con la fábrica.
2. La figura anterior se basa en la estimación de datos de prueba e inferidos. Se recomienda que los usuarios realicen pruebas y confirmaciones según su uso real.
3. Cuando la tensión de resistencia dieléctrica y la resistencia de aislamiento del producto sean menores que los parámetros enumerados en la tabla de parámetros del producto, se considerará que el producto ha llegado al final de su vida útil.
Descripción del modelo

①: Modelo del producto
②: Voltaje de contacto: (Ninguno: bajo voltaje; G: alto voltaje)
③: Corriente nominal de funcionamiento: "30" = 30 A
④: A: Equipado con placa de circuito de ahorro de energía
⑤: B: Un normal cerrado; (Ninguno: Un normal abierto)
⑥: C: Cierre magnético
⑦: D: Bobina simple
⑧: T: Base de cerámica
⑨: S: un contacto auxiliar normalmente abierto
⑩: Tensión nominal de la bobina: "6" = 6 V (CC), "12" = 12 V (CC), "24" = 24 V (CC), "48" = 48 V (CC), "72" = 72 V (CC)
⑪: Método de conexión: (N: Rosca externa; K: Rosca interna)
⑫: Método de instalación: (Ninguno: instalación inferior)
⑬: Código especial del cliente: 01-99
Ejemplo: NFG30DK/24V indica que el producto tiene una corriente de carga nominal de 30 A (resistiva), con una forma de contacto principal de un contacto normalmente abierto (rosca hembra), voltaje de bobina de CC 24 V y un método de montaje inferior.
Principio del circuito

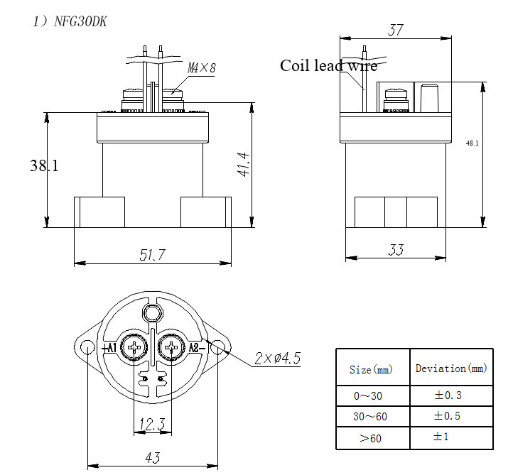
Diagrama de dimensiones del contorno

Precauciones de uso
Capacidad de conmutación de contacto de 50 A. Los imanes permanentes g
Capacidad de conmutación de contacto de 100 A. Los imanes permanentes